VARIOSTEFF 4 EASY

PIECES DETACHEES POUR

VARIOSTEFF 4 EASY

Entraîneur automatique, professionnel, avec vitesses variables; complète avec SUPPORT et ARTICULATION EASY BREVETEE

Dispositif de prévention des accidents pour alimenter correctement et sans risque les machines classiques.  

- Travail en toute sécurité : l’opérateur n’approche pas ses mains de l’outil 

- Usinage de qualité supérieure grâce à l’avancement constant de la pièce 

- Alimentation optimale grâce au réglage de la vitesse 

- Adaptabilité à toutes les exigences d’usinage; basculement rapide de la position verticale à la position horizontale grâce au nouveau SNODO EASY breveté 

60 ans d'éxpérience avec une production de plus de 400.000 machines: 100% produits italiens. Niveaux très élevés de qualité et fiabilité, grâce à la méthode de fabrication "Lean" Système Toyota

Informations Générales

Les frais d'expédition seront indiqués dans la confirmation de commande



CARACTÉRISTIQUES TECHNIQUES DU MODÈLE

Caractéristiques principales:
vitesses variables ( 3-18 m/min et jusqu'à 33 m/min en option)
n.4 galets ( diam / épaisseur 120x60 mm)
Puissance moteur: 1 HP/ 0,75 kW , 1.400/ 2800 RPM

Support standard Easy avec positionnement manuel à l’aide de clavettes et de volants, et BASCULEMENT RAPIDE grâce au SNODO EASY BREVETÉ. 
Baty: ( ensemble machine) :en alluminium moulé, usiné sur centres de travail de haute précision; peint en poudre anticorrosion et écologique car exempt de solvants.
Couvercle de chaîne en acier
Machine produite aux normes CE



EQUIPEMENT STANDARD

Baty ( ensemble machine) en aluminium moulé et couvercle de chaîne en acier

Support avec 1 tube horizontal de 705 mm et 1 tube vertical de 540 mm en acier rectifié, équipé de volants pour le réglage en hauteur et le déplacement horizontal, 1 GROUPE SNODO EASY et 1 base en fonte, ainsi que 4clavettes en aluminium pour le blocage et le déblocage des éléments.
Moteur avec cable de 3mt
Galets 50 Shore Feeder Grip
Emballage en carton recyclable





PLUS D'INFORMATION

Immagine principale maggi

PIVOTEMENT RAPIDE

Grâce au nouveu support "EASY"( accessoire) le pivotement horizontale de l'entraîneur automatique est très rapide et Vous êtes prêt en un seul clic : tournez la poignée pour déverrouiller, faites pivotez l' entraîneur et tournez à nouveau la poignéee pour verrouiller.

Immagine principale maggi

FAITES PIVOTER L'ENTRAINEUR EN UN SEUL CLICK!

Le nouvel SNODO EASY breveté permet de faire pivoter rapidement l’avanceur en position horizontale.

Ce dispositif est UNIVERSEL : il peut être monté sur tous les supports professionnels Maggi (anciens et nouveaux modèles), ainsi que sur la majorité des autres marques présentes sur le marché.

Vérifiez la compatibilité en comparant les dimensions indiquées sur le dessin.

Immagine principale maggi

SUPPORT UNIVERSEL AVEC ARTICULATION EASY

Structure conçue pour le soutien et le positionnement optimal de l’avanceur automatique sur la machine-outil. Facile à orienter, elle permet le basculement de l’avanceur en un clic grâce à l'articulation EASY BREVETÉ. Stable et robuste : base, croix, tête de support et articulation Easy en fonte, ainsi que deux colonnes en acier rectifié de forte épaisseur. Clavettes en acier et volants de réglage pour un positionnement rapide et précis. 

Immagine principale maggi

FLEXIBILITÉ SUPÉRIEURE

Obtention d’une large gamme de vitesses variables en tournant simplement un bouton. Solution idéale lorsque l’on doit souvent changer le type d’usinage. Le sélecteur sur le moteur permet d’inverser rapidement le sens de la marche

Immagine principale maggi

ADHÉRENCE SUPÉRIEURE

Galets 50 Shore, brevetés Feeder Grip Technology pour une accroche optimale sur le panneau et une longue durée de vie. Les 4 galets assurent une adhérence encore plus importante sur le panneau aussi bien à l’entrée qu’à la sortie. 

Immagine principale maggi

LA VALEUR DE LA SÉCURITÉ
L’utilisation de l’avancement automatique protège les mains de l’opérateur de graves accidents. Son efficacité dépend de critères de conception et de fabrication précis. Les entraîneurs MAGGI sont les seuls conçus et fabriqués en Italie. Ils respectent toutes les règlementations CE en matière de sécurité.

Immagine principale maggi

HAUTE ADAPTABILITE
la suspension à ressort bien calibrée :  20 mm, permet de faire avancer des pièces avec épaisseurs différents sans la nécéssité des réglages supplémentaires

Immagine principale maggi

BROSSES DE PROTECTION
contre les accidents, assemblée sur les deux côtés de l'entraîneur

Immagine principale maggi

USINAGE DE QUALITÉ
Modèle avec 4 galets, idéal pour entraîner des lattes et des pièces de taille moyenne et pour des usinages importants, grâce aux 2 galets qui tiennent parfaitement la pièce à l’entrée et aux 2 galets qui la tiennent à la sortie 

Immagine principale maggi

SUPPORT SOLIDE ET FIABLE
Equipé avec un dispositif de sécurité mécanique "Système SPS" anti- décrochage qui empêche tout débranchement accidentel des éléments, en conformité avec les normes de sécurité CE. 


FICHE TECHNIQUE

Nombre de vitesses avant et arrière ----
Vitesses fixes da 3 a 18 mt/min (fino a 33 mt/min optional)
Nombre de galets 4
Diamètre et épaisseur galet 120 x 60 mm
Moteur 1 HP / 0,75 KW     RPM 1400 /2800
Suspension galets 20 mm
Distance entre le centre des différents galets 162 mm - 152 mm - 133 mm
Distance entre le centre du 1er et du dernier galet 447 mm
Dimensions unité d’entraînement – poids net 620 x 206 x 510 mm - 35 Kg
Dimensions support universel monté – poids net 540 x 910 mm - 35 Kg
Dimensions emballage unité d’entraînement – poids brut 670 x 570 x 330 mm - 37 Kg
Dimensions emballage support universel – poids brut 800 x 330 x 330 mm - 37 Kg

Scheda tecnica prodotto

ACCESSOIRES

Adhérence sur le panneau – surfaces lisses
Galet en caoutchouc Feeder Grip 363 breveté

Adhérence optimale sur le panneau et efficacité maximale. Le revêtement en caoutchouc spécial est breveté par Maggi, spécialiste du secteur depuis 60 ans

Galet en caoutchouc Feeder Grip 363 breveté – diam. 120 x 60 mm / 40 Shore, idéale pour des surfaces très lisses ( bois mélaminé) 


CODE: 30102015

Adhérence sur le panneau – surfaces rugueuses
Galet en caoutchouc

Adhérence optimale sur le panneau et efficacité maximale. Le revêtement en caoutchouc spécial est breveté par Maggi, spécialiste du secteur depuis 60 ans

Galet en caoutchouc 118 x 50 mm, 65 Shore, idéale pour des surfaces rugueuses ( bois non façonné )


CODE: 30100014

Adhérence sur le panneau – surfaces brutes
Galet en fonte

Adhérence optimale sur panneaux avec surfaces brutes

Galet en fonte 120 x 60 mm


CODE: 40102015

Adhérence sur le panneau – surfaces lisses
Galet en caoutchouc breveté Feeder Grip 758 - MODELE STANDARD

Adhérence optimale sur le panneau et efficacité maximale. Le revêtement en caoutchouc spécial est breveté par Maggi, spécialiste du secteur depuis 60 ans

Galet en caoutchouc breveté Feeder Grip 758  – diam. 120 x 60 mm / 50 Shore, idéale pour des surfaces lisses (  bois façonné )


CODE: 30100015

Pour libérer le plan de travail
Fixation basculante 96

Permet d’exclure l’entraîneur du plan de travail de la machine-outil pour libérer de l’espace pendant l’entretien et/ou en cas d’opérations manuelles.


CODE: 22100151

Augmente la vitesse
Kit haute vitesse

Kit haute vitesse (augmente la vitesse de 3 - 18 m/min à 4 - 33 m/min) 

Permet d’élargir la gamme de vitesses disponibles pour un entraînement plus rapide. Pour augmenter la productivité.


CODE: 40610100

Tensions spéciales
Tension monophasée

La machine peut travailler dans de petits ateliers artisanaux alimentés par un courant monophasé de 220 V. ( option à spécifier au moment de la commande)


CODE:

Tensions spéciales
Normes CSA

Normes électriques pour le Canada ( option à spécifier au moment de la commande) 


CODE:

Réglage rapide
GROUPE ARTICULATION "EASY" pour support universel - NOUVEAUTE'

Une fois installé sur le support, le groupe articulation innovant EASY rend le pivotement horizontal de l'entraîneur automatique beaucoup plus SIMPLE et RAPIDE.

Ce dispositif est un BREVET UNIVERSEL; compatible avec tous les supports professionnels Maggi, y compris les anciens modèles, ainsi qu'avec la pluspart des autres marques du marché.

Diamètre intérieur du collier : 75 mm / épaisseur du collier 20 mm / diamètre de la base inférieure du raccord conique : 48,85 mm / diamètre de la section supérieure du raccord conique : 43,25 mm / angle d’inclinaison du raccord conique : 5°


CODE: 23320500


VIDÉOS

STEFF FABRIQUE EN ITALIE

STAND EASY

GROUPE ARTICULATION EASY - POSITIONNEMENT RAPIDE

ARTICULATION EASY DANS LA MENUISERIE - DEMO


Guide Produits

Immagine prodotto 571

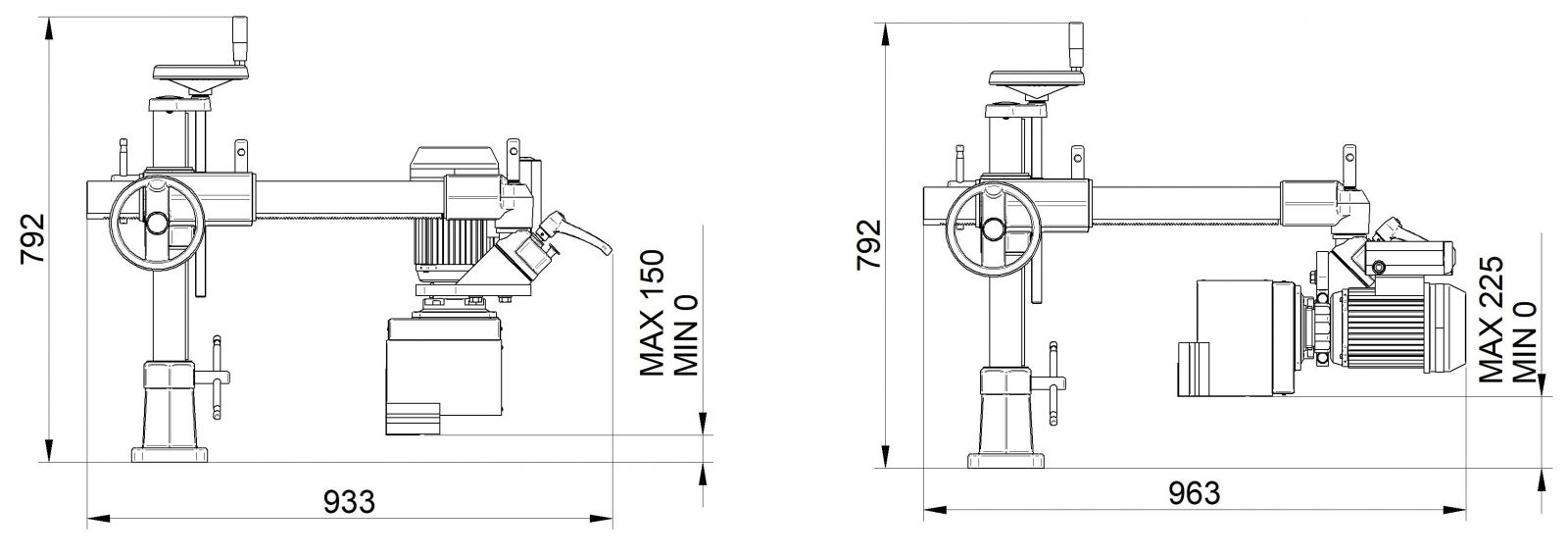
La distance (hauteur) maximale à laquelle il est possible de positionner les roues de l’entraîneur automatique par rapport au plan de travail peut varier selon le modèle (voir sur l’image la valeur correspondant au modèle concerné), tandis que la distance (hauteur) minimale est toujours égale à zéro, puisque les roues peuvent toujours arriver à toucher le plan de travail.

positionnement, potence , support universel , pied, Rouleaux, Galets
Immagine prodotto 577
Immagine prodotto 578
Immagine prodotto 579
Immagine prodotto 580
Immagine prodotto 944
Immagine prodotto 945

Tout d’abord, il est nécessaire de régler la vitesse d’avance la plus adaptée en fonction du type d’usinage à effectuer. La vitesse de travail correcte se définit en tenant compte de plusieurs facteurs : le type de matériau à entraîner (poids et finition de surface) ainsi que l’importance de l’usinage ou de l’enlèvement de matière à réaliser.

En règle générale, plus l’usinage est important et plus la pièce à entraîner est lourde, plus la vitesse sélectionnée doit être basse et lente.

Outre la vitesse d’avance, le choix du type et du nombre de rouleaux appropriés est également déterminant. Il est recommandé d’utiliser des rouleaux en caoutchouc souple à fort grip pour les surfaces très lisses et laquées, des rouleaux en caoutchouc dur à haute résistance pour les surfaces rugueuses, des roues en acier pour les surfaces brutes, et des chenilles en caoutchouc pour les pièces courtes et étroites. Pour l’entraînement de pièces longues, il est conseillé d’opter pour l’entraîneur automatique STEFF 2068 équipé de six rouleaux.

Pour en savoir plus sur les vitesses et les typologies de rouleaux disponibles, consultez les images jointes.

usage et maintenance, comparaisons
Immagine prodotto 556
Immagine prodotto 557
Immagine prodotto 810
Immagine prodotto 943
Immagine prodotto 1136

Voir les images et les instructions jointes pour les modèles concernés…

montage, positionnement, reglage, potence , support universel , pied

Voir les vidéos jointes…

positionnement, reglage
Immagine prodotto 581
Immagine prodotto 582

Voir le tableau des vitesses joint…

reglage, comparaisons
Immagine prodotto 589
Immagine prodotto 590

Voir le tableau joint…

potence , support universel , groupe croisillon , pied, comparaisons, accessoires, options
Immagine prodotto 600
Immagine prodotto 601
Immagine prodotto 602
Immagine prodotto 603
Immagine prodotto 604
Immagine prodotto 605

En pièce jointe, vous trouverez le tableau comparatif complet de tous les modèles de la gamme des entraîneurs automatiques Maggi…

comparaisons, données techniques


400-50-3 ph

230-50-1ph

230-50-3ph

230-60-1ph

230-60-3ph

380-60-3ph

220-60-3ph

 

moteurs, voltages
Immagine prodotto 568

Sur tous les entraîneurs automatiques (à l’exception des STEFF 2032, STEFF 2033 et STEFF 20316 POWER), il est possible de monter des ressorts plus souples (accessoire sur demande – code 41200013) afin d’obtenir une plus grande amortisation (ressortage) des roues (> 20 mm). Un ressort est nécessaire pour chaque roue.

montage, reglage, Rouleaux, Galets
Immagine prodotto 769
Immagine prodotto 770

Les rouleaux que nous montons sur nos entraîneurs automatiques se distinguent par TYPOLOGIE, MATÉRIAU et DIMENSIONS.

TYPOLOGIE
STANDARD : avec support en aluminium et revêtement en caoutchouc FIXE.
SHS : avec support en aluminium « Semi-Hub » et revêtement en caoutchouc REMPLAÇABLE.

MATÉRIAU
Caoutchouc vulcanisé breveté « Feeder Grip » à haute adhérence et longue durée, avec différents indices SHORE (indice déterminant le degré de dureté et de flexibilité du caoutchouc selon les usages).
Rouleaux 40 Shore : caoutchouc plus souple, offrant une adhérence supérieure, adapté à l’entraînement de matériaux laqués, très lisses et de finitions délicates.
Rouleaux 50, 65 et 70 Shore : caoutchouc plus dur, adapté à l’entraînement de panneaux standard, semi-usinés, avec surfaces rugueuses.
Rouleaux en FONTE pour l’entraînement du bois brut.

DIMENSIONS
Les rouleaux montés de série sur les entraîneurs automatiques professionnels sont des rouleaux STANDARD en caoutchouc 120 x 60 mm en 50 Shore.
Les entraîneurs automatiques STEFF 2033 et STEFF 20316 POWER sont équipés de rouleaux SHS en caoutchouc 120 x 60 mm – 50 Shore.
Le STEFF 2032 est équipé de petits rouleaux standard en caoutchouc 80 x 28 mm – 50 Shore

Rouleaux, usage et maintenance, comparaisons, Galets, accessoires, options

À ce jour, notre gamme ne prévoit PAS de stand avec positionnement motorisé, mais uniquement avec positionnement manuel.

positionnement, reglage, potence , support universel , groupe croisillon , pied, accessoires, options
Immagine prodotto 570

Oui, il est possible de monter un nouvel entraîneur automatique sur un ancien stand, à condition qu’il soit de fabrication Maggi ; toutefois, il est toujours recommandé de vérifier la compatibilité en relevant certaines dimensions, comme indiqué sur le dessin joint : le diamètre du logement du tube horizontal et le diamètre du logement de la base doivent être de 58 mm, le diamètre intérieur du collier doit être de 75 mm et la hauteur (épaisseur) du collier doit être de 30 mm.

Attention : les modèles STEFF 2032 et STEFF 2033 sont TOUJOURS FOURNIS COMPLETS AVEC STAND ; il n’est PAS possible d’acheter uniquement le groupe d’entraînement.

montage, potence , support universel , groupe croisillon , pied, usage et maintenance, compatibilité
Immagine prodotto 607
Immagine prodotto 942
Immagine prodotto 1137

Voir les images et la vidéo jointes…

montage, reglage, usage et maintenance, accessoires, options

Oui, il est tout à fait normal que le moteur d’un entraîneur automatique, pendant le fonctionnement, puisse atteindre des températures élevées (jusqu’à 50 °C), sans que cela n’entraîne de dommages ni n’affecte le bon fonctionnement de l’appareil.

usage et maintenance, moteurs

Les rouleaux caoutchoutés Maggi sont fabriqués avec du caoutchouc vulcanisé, c’est-à-dire traité à haute température ; ce procédé garantit le produit contre l’usure dans une plage de températures allant de –20 °C à +40 °C, à l’abri des intempéries, en assurant une longue durée de vie dans le temps.

La durée peut varier en fonction du type d’usinage et du matériau à entraîner.

Rouleaux, usage et maintenance, Galets, accessoires, options

Les entraîneurs automatiques Maggi sont fournis complets avec câble électrique (longueur de 3 m pour les entraîneurs professionnels et semi-professionnels, et longueur de 1 m pour le STEFF 2032), mais SANS prise d’alimentation. Les variantes de prises compatibles avec les différentes machines-outils sont très nombreuses et présentent des caractéristiques très différentes selon les applications et selon les pays, ce qui rend impossible la standardisation de leur fourniture.

usage et maintenance, compatibilité, equipement
moteurs, voltages, equipement
Immagine prodotto 612

Entraîneurs automatiques professionnels
La lubrification de type A concerne les points de glissement du stand, à savoir le filetage de la croisée, la vis de levage et la crémaillère du tube horizontal. Il est recommandé de lubrifier avec une graisse de type « Persian Poligrease EP/2 » ou équivalente. La fréquence est à appliquer lorsque nécessaire, en particulier si les composants présentent un frottement excessif.

La lubrification de type B concerne les roues, au moyen des graisseurs situés sur les axes des rouleaux et sous l’entraîneur automatique. La lubrification doit être effectuée à l’aide de la pompe de graissage fournie avec l’entraîneur automatique, en injectant la graisse dans les graisseurs. Utiliser une graisse de type « Persian Poligrease EP/2 » ou équivalente. La fréquence recommandée est tous les 3 mois.

La lubrification de type C concerne la cuve d’huile et la transmission. Il est nécessaire de contrôler régulièrement le niveau d’huile à l’intérieur de la cuve, lequel ne doit pas descendre en dessous de 4 cm. Utiliser une huile de type « IP MELLANA OIL 220 » ou équivalente. La fréquence recommandée est tous les 6 mois.

Entraîneurs automatiques semi-professionnels (STEFF 2033) et hobby (STEFF 2032)
Le modèle STEFF 2033 est équipé de roues montées sur un système de roulements ne nécessitant AUCUNE lubrification ; par conséquent, les seules lubrifications à effectuer sont celles de type A et de type C.

Le modèle STEFF 2032 hobby ne nécessite pas non plus de graissage des roues. Dans ce cas également, les lubrifications à effectuer sont exclusivement celles de type A et de type C.

usage et maintenance
Immagine prodotto 614

Voir la couleur du caoutchouc des différentes typologies de rouleaux disponibles dans l’image jointe…

Rouleaux, Galets, accessoires, options, equipement
Immagine prodotto 615

Dans l’image jointe sont illustrés les rouleaux que nous montons de série pour les différentes typologies d’avanceurs automatiques.

Rouleaux, Galets, equipement
Immagine prodotto 616

RÉGLAGE TYPE A : Positionnement de l’entraîneur automatique au « Point 0 »
Le point zéro représente la hauteur à laquelle l’avanceur automatique doit être positionné afin d’assurer un entraînement correct de la pièce. Étant donné que l’entraîneur automatique doit exercer une certaine pression sur la pièce, il est recommandé de le positionner à une hauteur telle que les rouleaux se trouvent à 3 / 4 mm en dessous du plan de travail. Cette distance représente la « précharge » que l’on souhaite exercer sur la pièce. La valeur indiquée varie en fonction de la pression à appliquer et du type d’usinage.


RÉGLAGE TYPE B : Déverrouillage du compteur
À l’aide d’une clé Allen (2,5 mm), agir sur le collier du compteur situé sous la poignée et rechercher la vis de déblocage placée sous la gaine en caoutchouc. Une fois la vis localisée, déverrouiller le compteur du mécanisme de levage.


RÉGLAGE TYPE C : Mise à zéro du compteur
Une fois le compteur déverrouillé, en faisant tourner la vis autour de l’axe de la poignée, atteindre la position 0000-0. Le dernier zéro à droite de la ligne représente les dixièmes de millimètre.


RÉGLAGE TYPE D : Blocage du compteur
Une fois la position zéro atteinte, resserrer la vis interne afin de solidariser à nouveau le mouvement du compteur avec celui de la poignée de levage. En agissant sur le compteur à partir de cette position (0), il est possible de l’adapter à toutes les épaisseurs de panneaux à usiner.

positionnement, reglage, potence , support universel , groupe croisillon , pied, usage et maintenance, accessoires, options
Immagine prodotto 617

Dans l’image jointe, vous trouverez les dimensions et les cotes techniques de l’accessoire « fixation basculante 96 » cod. 22100151.

montage, positionnement, pied, accessoires, options, dimensions

Les entraîneurs automatiques sont fournis avec un câble électrique d’une longueur de 3 m ; la seule exception est l’entraîneur hobby STEFF 2032, qui est équipé d’un câble plus court, d’une longueur de 1 m.

equipement
Immagine prodotto 645

En pièce jointe, la liste complète des pièces de rechange recommandées pour les entraîneurs automatiques…

Pour toute information sur les prix, veuillez contacter notre service pièces de rechange (service@maggi-technology.com).

pièces détachées

Voir la vidéo jointe…

montage, positionnement, reglage, accessoires, options
Immagine prodotto 626

Voyez les dessins en annexe s'il Vous plait ... 

montage, positionnement, potence , support universel , groupe croisillon , pied, dimensions

Les tubes, ou colonnes horizontales et verticales, du stand des entraîneurs automatiques professionnels (STEFF 2034 / 38 SMART / 2038 / 2038-CI / 2044 / 2048 / 48 SMART / 2068 / VARIO 3 / VARIO 4 / SUPERSONIC 3 / SUPERSONIC 4) ont un diamètre de 58 mm, tandis que les tubes, ou colonnes horizontales et verticales, du stand de l’entraîneur automatique STEFF 2033 ont un diamètre de 49 mm, et ceux de l’entraîneur automatique STEFF 2032 ont un diamètre de 40 mm.

potence , support universel , groupe croisillon , pied, dimensions
Immagine prodotto 627

Il s’agit d’un système de sécurité qui, grâce à une conception soignée du support à croisée, empêche tout risque de désaccouplement entre les différents composants, même en cas de serrage incorrect de la part de l’opérateur, évitant ainsi le risque que l’entraîneur automatique se détache et tombe en provoquant des blessures.

Dans le cas où le support serait monté sur une éventuelle fixation basculante (voir fig. 2), le système de sécurité Elastic Pin System, au moyen de la goupille (13b) (voir fig. 1), permet au tube vertical (11) de ne pas se dégager de la base (12), même si la poignée n’a pas été bloquée. Ce système de sécurité s’applique également au tube horizontal (10) (voir fig. 1), car la goupille (13a) empêche la pipe (31) de se dégager du tube lui-même.

montage, reglage, potence , support universel , groupe croisillon , pied, securité
Immagine prodotto 628

La distance entre les trous de fixation des rouleaux pour entraîneurs professionnels, à savoir les rouleaux de 120 x 60 mm et de 118 x 50 mm, est de 48 mm, tandis que celle des rouleaux de 80 x 28 mm est de 32 mm. Les rouleaux SEMI-HUB montés sur les modèles STEFF 2033 et STEFF 20316 POWER ne disposent pas de trous de fixation.

montage, positionnement, Rouleaux, Galets, dimensions
Immagine prodotto 629

Oui, les stands des entraîneurs professionnels sont fournis avec le groupe pipe – articulation – collier (également appelé groupe articulation ou groupe de liaison) afin de permettre le raccordement au dispositif d’avance (avanceur automatique).

Certains modèles d’avanceur (STEFF 20316 POWER, STEFF 2033 et STEFF 2032), en raison de leur conception particulière, ne nécessitent pas le collier ; le stand est fourni uniquement avec la pipe, qui se fixe sur l’articulation déjà montée sur le bâti (corps de la machine) de l’entraîneur.

Voir les images pour plus de clarté…

montage, potence , support universel , groupe croisillon , pied, comparaisons, accessoires, options, equipement

Le STEFF 2033, grâce à ses dimensions compactes tout en offrant des performances professionnelles, est sans aucun doute le modèle idéal pour travailler sur une combinée.

comparaisons, conseils d'utilisation

Pour la lubrification interne des engrenages de nos entraîneurs automatiques (avanceurs automatiques), nous recommandons l’utilisation de l’huile IP – MELLANA OIL / ISO VG 220. Les données techniques sont les suivantes : masse volumique à 15°C égale à 0.895, viscosité à 100°C égale à 18.7, viscosité à 40°C égale à 220, indice de viscosité égal à 95, point d’inflammabilité V.A. égal à 240, point d’écoulement égal à -21.

Pour la lubrification des roues, en revanche, nous recommandons d’utiliser périodiquement la graisse PERSIAN POLIGREASE EP /2.

La fiche technique complète et la fiche de sécurité sont disponibles sur demande en contactant notre service après-vente (service@maggi-technology.com).

usage et maintenance

Le stand, ou support, pour entraîneur automatique est composé d’une base en fonte avec des trous de fixation pour l’ancrage sur la table de la machine-outil ou sur un dispositif basculant, d’un tube vertical, d’un groupe croisée, d’un tube horizontal avec crémaillère, de volants de positionnement, d’une poignée supérieure de levage, ainsi que d’un groupe pipe, articulation et collier pour la fixation de l’entraîneur automatique (le stand pour STEFF 20316 POWER, STEFF 2033 et STEFF 2032 comprend uniquement le groupe pipe, tandis que le groupe articulation est déjà monté sur le bâti – structure de l’avanceur automatique – et le collier n’est pas nécessaire).

Les avanceurs STEFF 2033 et STEFF 2032 sont fournis avec le stand inclus dans l’équipement standard ; tous les autres modèles, en revanche, sont vendus SANS stand, lequel peut être acheté séparément comme accessoire.

montage, support universel , groupe croisillon , pied, equipement

Les avanceurs STEFF 2033 et STEFF 2032 sont fournis avec le stand inclus dans l’équipement standard ; tous les autres modèles, en revanche, sont vendus SANS stand, lequel peut être acheté séparément comme accessoire.

potence , support universel , groupe croisillon , pied, comparaisons, equipement
Immagine prodotto 675

La hauteur de l’entraîneur automatique, par rapport au plan de travail, se règle manuellement en tournant le volant situé au sommet de la colonne verticale du stand.

Le STAND PLUS (cod. 13400600) est équipé d’un compteur numérique, permettant de lire directement la hauteur exacte pour un réglage plus rapide et plus précis.

positionnement, reglage, potence , support universel , groupe croisillon , pied, accessoires, options
Immagine prodotto 703
Immagine prodotto 704
Immagine prodotto 705
Immagine prodotto 706
Immagine prodotto 707
Immagine prodotto 708
Immagine prodotto 709
Immagine prodotto 710
Immagine prodotto 711

Vous trouverez en pièce jointe tous les layouts avec les dimensions d’encombrement pour chaque type d’entraîneur automatique Maggi…

comparaisons, dimensions, données techniques

Oui, dans la gamme Maggi, les modèles STEFF SUPERSONIC 3 et STEFF SUPERSONIC 4 disposent d’une vitesse variable avec variateur électronique (inverter).

equipement, données techniques

Lors de la commande, il est possible de demander un moteur avec une tension différente de celle standard
(400 V – 50 Hz – 3 PH) ou en version monophasée (uniquement pour les modèles qui le prévoient),
mais il n’est pas possible d’avoir un moteur plus puissant.

moteurs, voltages, equipement, données techniques

COMMENT CHOISIR LE MODÈLE LE PLUS ADAPTÉ À VOS BESOINS...


... PAR NOMBRE DE ROULEAUX


3 ROULEAUX - USINAGE SIMPLE, ENLÈVEMENT DE MATIÈRE MODESTE

Modelès: Steff 2034 / Steff 38 SMART / Steff 2038 / Steff 20316 POWER / VARIOSTEFF 3 / STEFF SUPERSONIC 3 / STEFF 2033 / STEFF 2032 Hobby 


•    Pour l'usinage simple de petits cadres en bois, tiges et profils

•    Garantit une précision maximale avec 2 rouleaux d'entrée qui tirent la pièce et 1 rouleau qui la maintient à la sortie


4 ROULEAUX - USINAGE COMPLEXE, ENLÈVEMENT DE MATIÈRE IMPORTANT

Modelès: Steff 2044 / Steff 48 SMART / Steff 2048 / VARIOSTEFF 4 / STEFF SUPERSONIC 4


•    Pour des usinages plus complexes, enlèvement de matière important sur des profils en bois moyens et grands

•    Garantit une précision maximale avec 2 rouleaux tirant la pièce à l'entrée et 2 rouleaux la maintenant à la sortie


6 ROULEAUX - USINAGE COMPLEXE, ENLÈVEMENT DE MATIÈRE IMPORTANT

Modèle: Steff 2068


•    Pour les usinages les plus complexes, enlèvement de matière important sur de grandes poutres en bois

•    Garantit une précision maximale avec 3 rouleaux tirant la pièce à l'entrée et 3 rouleaux la maintenant à la sortie

Selon le type de traitement, nous recommandons un support supplémentaire qui facilite davantage l'avancement ( Voir la fiche produit Steff 2068 - Accessoires)


CHENILLES POUR PIÈCES ÉTROITES ET COURTES

Modèle: Steff 2038-CI


•    Indiqué pour l'usinage de pièces étroites et courtes

•    Garantit une précision maximale et une adhérence au plan grâce à 3 chenilles continues

•    Polyvalent, peut également être utilisé pour des usinages standard



... PAR NOMBRE ET TYPE DE VITESSES


4 Vitesses Fixes 4 – 8 – 11 – 22 mt/min avant et arrière Modèles de Machines Professionnelles STEFF2034 – STEFF2044 - Moteur 1 HP / 0,75 et support dimensionné


4 VITESSES FIXES 4 – 8 – 9 - 18 mtmin– modèle STEFF 2032 – Moteur 0,24 HP / 0,18 KW avec support et dimensions RÉDUITS pour machines de BRICOLAGE


8 Vitesses Fixes 2 - 4 - 5,5 - 6,5 - 11 - 13 - 16,5 - 33 m/min avant et arrière Modèles Professionnels STEFF2038 et 2038 SMART – STEFF2048 et 2048 SMART - STEFF 2038-CI et STEFF 2068 - Moteur 1 HP / 0,75 KW avec SUPPORT dimensionné


8 VITESSES FIXES 3.2 - 6.3 - 8.3 - 12.5 - 16.7 - 25 - 32 - 63  mt/min – modèle STEFF 2033 – Moteur 1 HP / 0,75 KW dimensions COMPACTES pour machines SEMI-PROFESSIONNELLES



LES VITESSES sont choisies en fonction du type de travail effectué le plus fréquemment

•    Les vitesses les plus basses sont idéales pour les usinages importants pour une meilleure tenue de la pièce et une plus grande précision de travail (2 - 4 - 5,5 - 6,5 mt/min)

•    Les vitesses les plus élevées sont idéales pour les usinages plus simples qui peuvent être effectués à des vitesses plus rapides (8 -11 - 13 - 16,5 - 33)



Les modèles avec VITESSES VARIABLES avant et arrière répondent aux besoins de ceux qui doivent fréquemment changer le type d’usinage et la vitesse d’avancement correspondante


VARIATEUR MÉCANIQUE – modèles VARIOSTEFF3 et VARIOSTEFF4 – de 3 à 18 mt/min et jusqu’à 33 m/min avec kit haute vitesse (accessoire) 

Modèles de Machines Professionnelles et support dimensionné 

•    Le réglage de la vitesse s’obtient en tournant le bouton sur le corps


VARIATEUR ÉLECTRONIQUE - modèles SUPERSONIC 3 et SUPERSONIC 4 - de 0,5 à 25 mt/min et jusqu'à 33 m/min avec kit haute vitesse (accessoire) 

Modèles de Machines Professionnelles et support dimensionné

•    Le réglage de la vitesse s'obtient en tournant le bouton sur l'affichage numérique


comparaisons, Galets, conseils d'utilisation, conseil

Tous les entraîneurs automatiques professionnels peuvent être positionnés avec la base du support également à droite de l’outil, sans nécessité d’accessoires supplémentaires.

Les modèles STEFF 2033 et STEFF 20316 POWER peuvent également être positionnés avec la base du support à droite de l’outil, uniquement en appliquant l’accessoire appelé double joint, code 41400012.

Le modèle STEFF 2032 NE PEUT PAS être positionné avec la base à droite de l’outil.

positionnement, reglage, potence , support universel , groupe croisillon , pied, accessoires, options, equipement
Immagine prodotto 813
Immagine prodotto 814
Immagine prodotto 815

Non, il n’est pas possible de monter des moteurs avec une puissance kW supérieure sur les entraîneurs automatiques Maggi.

moteurs, voltages, equipement, données techniques
Immagine prodotto 1045

Pour maintenir l’entraîneur automatique en parfaite efficacité et minimiser l’usure des composants, nous recommandons d’injecter régulièrement de la graisse dans les graisseurs prévus sur les roues (T) et d’ajouter de l’huile à l’intérieur du carter, en dévissant le bouchon (D), afin que le niveau ne descende jamais en dessous de 4 cm du bord du bouchon.
Il est également important de lubrifier périodiquement les glissières du support universel afin de garantir une mobilité parfaite.

Pour les types de graisse à utiliser et pour les modalités de lubrification, veuillez vous reporter aux autres FAQ dédiées dans cette section.

usage et maintenance
Immagine prodotto 1098

Le diamètre et la hauteur du collier de fixation du moteur sont respectivement : Ø 75 mm – hauteur (épaisseur) 30 mm. Veuillez également consulter l’image jointe pour plus de clarté.

montage, potence , support universel , pied, dimensions, données techniques
Immagine prodotto 1101

Les dimensions de la base en fonte des supports universels sont indiquées dans le dessin ci-joint.

potence , support universel , pied, dimensions, données techniques

La dureté Shore est l’un des essais mécaniques statiques utilisés pour mesurer la dureté des matériaux plastiques et des caoutchoucs.
La mesure est effectuée à l’aide d’un duromètre Shore ; cet instrument mesure la profondeur de pénétration de l’empreinte appliquée sur un élastomère, avec une valeur comprise entre 0 et 100.
Plus la valeur est proche de zéro, plus le matériau est souple ; inversement, plus la valeur se rapproche de 100, plus le matériau est dur.

Nos rouleaux caoutchoutés de 50 Shore représentent la version standard la plus dure (code 30100015).
Nous proposons également une version en 40 Shore (code 30102015) qui, étant plus souple, garantit une meilleure adhérence sur les surfaces laquées et très lisses, telles que les stratifiés et les placages.

Rouleaux, Galets, accessoires, options

La certification ATEX est une directive européenne qui s’applique aux équipements pouvant être utilisés dans des environnements potentiellement explosifs.

Les produits Maggi, et en particulier les moteurs utilisés, ne sont pas certifiés ATEX.

Pour plus d’informations, vous pouvez contacter notre service après-vente (service@maggi-technology.com).

moteurs, certificats
Immagine prodotto 631

Vous pouvez identifier chaque pièce de rechange dans la zone pièces de rechange du site au lien suivant : https://www.maggi-technology.com/it/

Identifier une pièce de rechange est simple. Sur le site, il existe une fonction « identifier les pièces de rechange », accessible depuis plusieurs points du site : en haut de chaque page dans la barre de navigation, depuis la HOME et via le MENU dans la section dédiée « RICAMBI » (comme indiqué sur l’image jointe), ainsi que dans la section « ASSISTENZA » – « assistenza post vendita » en bas de la zone contacts.

Une fois dans la fonction « identifier les pièces de rechange », il suffit de saisir le code de la machine dans la fenêtre de recherche pour afficher les vues éclatées correspondantes avec les codes de toutes les pièces ; pour connaître le prix de chaque pièce de rechange, vous pouvez contacter directement notre service après-vente par e-mail : service@maggi-technology.com ou par téléphone au +39 0571 635 433, ou bien vous adresser au revendeur MAGGI le plus proche de chez vous, que vous trouverez sur la carte des revendeurs du site, au lien suivant : https://www.maggi-technology.com/it/contatti/mappa-rivenditori

pièces détachées
Immagine prodotto 630

Pour imprimer ou télécharger les contenus texte et images de la fiche produit, il suffit de cliquer sur le lien .pdf présent sous l’image principale du produit concerné (comme indiqué sur l’image jointe) ; ensuite, vous pouvez décider, dans votre programme d’impression, soit d’imprimer directement le document (la qualité d’impression dépendra de vos paramètres), soit de créer le fichier pdf (le fichier .pdf d’impression est assez volumineux en raison de la présence de nombreuses images ; pour l’envoi du document par e-mail, il est recommandé d’enregistrer le document en utilisant l’option « enregistrer le pdf avec taille réduite »).

Documentation

Maggi garantit la disponibilité des pièces de rechange jusqu’à 10 ans à compter de la date de fabrication du produit.

Pour les pièces de rechange de plus de 10 ans, la disponibilité n’est pas garantie ; il est possible d’adresser une demande à notre service après-vente (service@maggi-technology.com) en précisant le code de la machine concernée, l’année de fabrication et en joignant une photo du produit ainsi que du composant demandé.

pièces détachées

La tolérance de tension déclarée pour le raccordement de la machine à l’installation électrique est de ±10 %.
La tolérance de tension du moteur déclarée, en revanche, est de ±22 %.

voltages

Pour permettre aux conseillers Maggi d’évaluer si un usinage est réalisable avec l’une de leurs machines, il est nécessaire de fournir les informations suivantes :

– Dimensions de la pièce à usiner (largeur, longueur, épaisseur, poids)
– Matériau (panneau MDF, aggloméré, multiplis, bois massif, etc.)
– Type d’usinage à réaliser (dessin ou fichier PDF à transmettre)
– Productivité demandée (nombre de pièces/jour ou semaine)
– Type de produit fini, idéalement accompagné d’une photo

compatibilité, conseils d'utilisation, conseil
new-

ASSISTANCE GRATUITE
EN LIGNE,

EN TEMPS REEL

Simplifiez-vous la vie. Avec des délais et des coûts réduits à zéro.
Maggi révolutionne l’univers des machines traditionnelles en mettant à la disposition de ses distributeurs une application gratuite pour l’assistance à distance, avec une technologie avancée compréhensible et accessible à tous.
 
 Traduction instantanée
 Grâce à la technologie de réalité augmentée et à la traduction instantanée en 80 langues, nous sommes en mesure de guider un opérateur situé à l’autre bout du monde afin de trouver, en temps réel, la solution à son problème.

DEMANDE INFORMATIONS

NEWSLETTER

Si vous souhaitez recevoir notre actualité, abonnez-vous à notre liste de diffusion.